设为首页 | 加入收藏 | English
网站首页
公司简介
产品展示
产品应用
服务支持
技术文章
销售网络
客户留言
联系我们
大功率晶闸管 整流管
KP系列普通晶闸管
KK系列快速晶闸管
KA系列高频晶闸管
ZK系列快恢复二极管
ZP系列普通整流管
电力半导体模块
MTC、MTA、MTK、MTX系列
MKC系列快速晶闸管
MAC系列高频晶闸管
电力半导体用散热器
SF系列分冷散热器
SS系列水冷散热器
通用型材散热器
用户名:
密 码:
用户注册!
忘记密码?
产品
新闻
当前位置:
首页
-
产品中心
-
电力半导体用散热器
-
SF系列分冷散热器
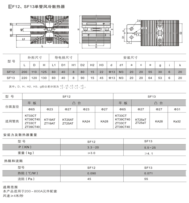
SF系列风冷散热器
产品名称:SF系列风冷散热器
更新时间:2013.04.01
浏览次数:
产品详细介绍
页面版权所有 襄阳赛普尔电子有限公司 |
鄂ICP备09007051号
| 亿网网络提供技术支持